CS41H自由浮球式蒸汽疏水閥
- 銷售:021-32051999
- 銷售:021-32050777
- 傳真:021-66099555
詳情介紹
- 產品介紹
- 服務承諾
- 訂貨流程
CS41H自由浮球式蒸汽疏水閥
性能優點
1、 能連續排放飽和凝結水加熱設備不會有水積聚,從而獲得高的熱效率。
2、 蒸汽壓力變化時不受影響浮球帶動杠桿自動調節閥座孔的開度,工作連續,性能穩定,
3、 排空氣性能好。自動排空氣裝置能排出不凝結的冷熱氣體,無氣鎖現象,工作平穩無噪音。
用途
用于蒸汽加熱設備和凝結水回收系統及需要快速排除凝結水的工況,能自動、迅速、連續地排除凝結水,you效地阻止蒸汽泄漏,并獲得好的加熱效果。
工作原理
該閥利用浮力原理,浮球根據凝結水量的多少隨水位的變化而作升降,自動調節閥座孔的開度,連續排放凝結水。當凝結水停止進入時,浮球靠自重降到底部,關閉排水閥座孔。由于排水閥座孔在凝結水位以下,水汽自然分離,形成水封,達到無蒸汽泄漏。
使用和保養
1、 應確認閥體的材料、壓力和溫度的大值能否滿足工況所需。
2、 在安裝前需要清洗管道,除去雜物。
3、 安裝位置應盡可能靠近加熱設備。
4、 應水平安裝在管路的低點,流向與閥體上標注的方向一致。
5、 每臺加熱設備要各自安裝疏水閥,以免互相影響。
6、 在保證系統能運行時,緩慢開啟疏水閥錢的閥門,使其逐漸升溫到正常狀態。
7、 要定期保養,保證疏水閥正常工作。
選型主要依據
凝結水負荷(排液量)kg/h(選用倍率2-3倍)
高工作壓力 MPa
工作壓差 MPa
閥體材料和公稱壓力
連接方式和尺寸
性能參數/主要部件材料表
低工作壓力 | 0.01MPa | 鑄鋼高允許溫度 | 425℃ |
小過冷度 | ≈°C0 | 不銹鋼高允許溫度 | 525℃ |
有負荷漏氣率 | ≈0 | 適用介質 | 飽和蒸汽、凝結水 |
高允許背壓率 | 80% | 排空氣裝置 | 不銹鋼/合金 |
閥體、閥蓋 | WCB/304 | 浮球 | 不銹鋼 |
閥座 | 2Cr13/304 | 過濾網 | 不銹鋼 |


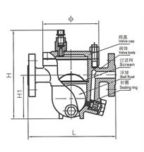
主要外形連接尺寸
型號 | 公稱通徑 | L | H | H1 | ∅ |
16 S11H-25 CB 40 | 15 | 195 | 197 | 100 | 126 |
20 | 195 | 201 | 104 | 130 | |
25 | 215 | 210 | 105 | 140 | |
16 S11H-25 CD 40 | 25 | 270 | 245 | 135 | 172 |
32 | 270 | 245 | 135 | 172 | |
40 | 280 | 275 | 160 | 172 | |
50 | 290 | 275 | 160 | 172 | |
CS41H-16F | 50 | 410 | 350 | 175 | 234 |
65 | 410 | 350 | 175 | 236 | |
80 | 430 | 390 | 245 | 260 | |
100 | 430 | 415 | 255 | 265 | |
125 | 480 | 506 | 311 | 302 | |
150 | 480 | 506 | 311 | 302 |
良好的品質、優良的服務 奇高為你創造更多價值!
“奇高閥門”的期望,不斷提升服務質量,精益求精,“真誠的服務”是“奇高”永恒的主題。“奇高”嚴格按照IS09001-2000 質量體系認證要求,質量嚴格把關, 責任到人,確保生產、銷售、服務的健康運行。加強與用戶溝通,竭誠為廣大客戶提供優良產品,貼心服務。特此我廠做出以下承諾:
產品標準:
產品嚴格按照中國GB、HG 標準和美國API等標準設計、制造、驗收。密封面硬度達到國家規定要求,寬度超過國家標準。
售前服務:
產品介紹,技術交流,非標產品設計,疑難解答。
售中服務:
守信合同,及時供貨,隨時保持與客戶聯系。 對特殊或復制的產品,我廠安排技術人員對用戶進行產品使用、故障排除
售后服務:
1、“奇高”牌產品品質期為自出廠起12個月,實行“三包”服務(包退、包換、保修)。
2、產品在使用中我廠定期組織技術、質檢人員進行訪問,征詢用戶對產品質量、 使用狀況、改進意見等方面的反饋, 以便進一步提高產品質量。
3、對用戶投訴質量問題,快速作出反應,售后服務人員在24-36小時(省外48小時)趕赴現場。
4、對售后服務,要求用戶填寫服務后的質量反饋信息表,并作出鑒定意見,以便提高奇高的服務質量。
1、客戶如對產品有特殊要求,須在訂貨合同中提供以下說明:
a、結構長度;
b、連接形式;
c、公稱直徑、全通徑、縮徑、管道尺寸;
d、運行介質及溫度、壓力范圍;
e、試驗、檢驗標準及其他要求
2、本廠可根據客戶特定要求配置各類驅動裝置。
3、如由客戶提供確定的閥門類型和型號時,客戶應正確說明其型號的含義和要求,在供需雙方理解一致的條件下簽訂合同。
4、期貨、訂貨的客戶請先來電函詳細告訴所需的閥門型號、規格、數量以及交貨時間、地點,并按總的30%預定金或全額貨款及時匯入我廠帳戶,其余貨款待發貨前匯入,以便及時安排發貨。
訂單流程:
1、客戶采購清單傳真至021-33872143,或來電咨詢 021-33872141
2、收到客戶采購清單,為客戶提供閥門型號選型與報價(價格清單)。
3、具體商定:交貨期、特殊要求等事宜。
訂貨須知:
1、客戶如對產品有特殊要求,須在訂貨合同中提供以下說明:
|
|||||
|
|||||
2、本廠可根據客戶特定要求配置各類驅動裝置。
|
|||||
3、如由客戶提供確定的閥門類型和型號時,客戶應正確說明其型號的含義和要求,在供需雙方理解一致的條件下簽訂合同。
|
|||||
4、期貨、訂貨的客戶請先來電函詳細告訴所需的閥門型號、規格、數量以及交貨時間、地點,并按總的30%預定金或全額貨款及時匯入我廠賬戶, 其余貨款待發貨前匯入,以便及時安排發貨。
|
售中服務:
守信合同,及時供貨,隨時保持與客戶聯系。
對特殊或復制的產品,我廠安排技術人員對用戶進行產品使用、故障排除
售后服務:
1、“奇高”產品品質期為自出廠起12個月,實行“三包”服務(包退、包換、保修)。
2、產品在使用中我廠定期組織技術、質檢人員進行訪問,征詢用戶對產品質量、使用狀況、改進意見等方面的反饋,
以便進一步提高產品質量。
3、對用戶投訴質量問題,快速作出反應,售后服務人員在24-36小時(省外48小時)趕赴現場。
4、對售后服務,要求用戶填寫服務后的質量反饋信息表,并作出鑒定意見,以便提高“奇高”的服務質量。
聲明 |
|