HH44X微阻緩閉止回閥
- 銷售:021-32051999
- 銷售:021-32050777
- 傳真:021-66099555
詳情介紹
- 產品介紹
- 服務承諾
- 訂貨流程
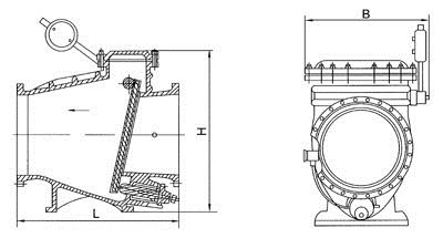
HH44X微阻緩閉止回閥用于給排水管道,安裝在是水泵出口處用來防止介質逆流和清理破環性水錘,并能you效地減少閥門關閉水錘壓力,可保障官網安全運行,它具有閥瓣輕、開度大、節電效果顯著,流體阻力小,水錘清理機構設計新穎,密封性能穩定可靠、耐磨損、使用壽命長、運行平穩、無振動、無噪聲等特點。
主要零件材料
零件名稱 | 材質 |
閥體 | 鑄鐵、鑄鋼、不銹鋼 |
閥蓋 | 鑄鐵、鑄鋼、不銹鋼 |
閥瓣 | 碳鋼、不銹鋼+丁腈橡膠 |
閥桿、活塞 | 不銹鋼 |

主要外形尺寸
公稱壓力 (MPa) | 公稱通徑 DN(mm) | 尺寸(mm) | ||
L | H | B | ||
1.0 1.6 2.5 | 40 | 200 | 300 | 220 |
50 | 230 | 300 | 270 | |
65 | 290 | 320 | 290 | |
80 | 310 | 354 | 300 | |
100 | 350 | 350 | 320 | |
125 | 400 | 380 | 340 | |
150 | 480 | 500 | 410 | |
200 | 500 | 580 | 450 | |
250 | 600 | 670 | 550 | |
300 | 700 | 730 | 580 | |
350 | 800 | 820 | 630 | |
400 | 900 | 920 | 700 | |
450 | 1000 | 950 | 800 | |
500 | 1100 | 1100 | 900 | |
600 | 1300 | 1200 | 990 | |
700 | 1400 | 1550 | 1120 | |
800 | 1500 | 1700 | 1300 | |
900 | 1700 | 1800 | 1350 |
良好的品質、優良的服務 奇高為你創造更多價值!
“奇高閥門”的期望,不斷提升服務質量,精益求精,“真誠的服務”是“奇高”永恒的主題。“奇高”嚴格按照IS09001-2000 質量體系認證要求,質量嚴格把關, 責任到人,確保生產、銷售、服務的健康運行。加強與用戶溝通,竭誠為廣大客戶提供優良產品,貼心服務。特此我廠做出以下承諾:
產品標準:
產品嚴格按照中國GB、HG 標準和美國API等標準設計、制造、驗收。密封面硬度達到國家規定要求,寬度超過國家標準。
售前服務:
產品介紹,技術交流,非標產品設計,疑難解答。
售中服務:
守信合同,及時供貨,隨時保持與客戶聯系。 對特殊或復制的產品,我廠安排技術人員對用戶進行產品使用、故障排除
售后服務:
1、“奇高”牌產品品質期為自出廠起12個月,實行“三包”服務(包退、包換、保修)。
2、產品在使用中我廠定期組織技術、質檢人員進行訪問,征詢用戶對產品質量、 使用狀況、改進意見等方面的反饋, 以便進一步提高產品質量。
3、對用戶投訴質量問題,快速作出反應,售后服務人員在24-36小時(省外48小時)趕赴現場。
4、對售后服務,要求用戶填寫服務后的質量反饋信息表,并作出鑒定意見,以便提高奇高的服務質量。
1、客戶如對產品有特殊要求,須在訂貨合同中提供以下說明:
a、結構長度;
b、連接形式;
c、公稱直徑、全通徑、縮徑、管道尺寸;
d、運行介質及溫度、壓力范圍;
e、試驗、檢驗標準及其他要求
2、本廠可根據客戶特定要求配置各類驅動裝置。
3、如由客戶提供確定的閥門類型和型號時,客戶應正確說明其型號的含義和要求,在供需雙方理解一致的條件下簽訂合同。
4、期貨、訂貨的客戶請先來電函詳細告訴所需的閥門型號、規格、數量以及交貨時間、地點,并按總的30%預定金或全額貨款及時匯入我廠帳戶,其余貨款待發貨前匯入,以便及時安排發貨。
訂單流程:
1、客戶采購清單傳真至021-33872143,或來電咨詢 021-33872141
2、收到客戶采購清單,為客戶提供閥門型號選型與報價(價格清單)。
3、具體商定:交貨期、特殊要求等事宜。
訂貨須知:
1、客戶如對產品有特殊要求,須在訂貨合同中提供以下說明:
|
|||||
|
|||||
2、本廠可根據客戶特定要求配置各類驅動裝置。
|
|||||
3、如由客戶提供確定的閥門類型和型號時,客戶應正確說明其型號的含義和要求,在供需雙方理解一致的條件下簽訂合同。
|
|||||
4、期貨、訂貨的客戶請先來電函詳細告訴所需的閥門型號、規格、數量以及交貨時間、地點,并按總的30%預定金或全額貨款及時匯入我廠賬戶, 其余貨款待發貨前匯入,以便及時安排發貨。
|
售中服務:
守信合同,及時供貨,隨時保持與客戶聯系。
對特殊或復制的產品,我廠安排技術人員對用戶進行產品使用、故障排除
售后服務:
1、“奇高”產品品質期為自出廠起12個月,實行“三包”服務(包退、包換、保修)。
2、產品在使用中我廠定期組織技術、質檢人員進行訪問,征詢用戶對產品質量、使用狀況、改進意見等方面的反饋,
以便進一步提高產品質量。
3、對用戶投訴質量問題,快速作出反應,售后服務人員在24-36小時(省外48小時)趕赴現場。
4、對售后服務,要求用戶填寫服務后的質量反饋信息表,并作出鑒定意見,以便提高“奇高”的服務質量。
聲明 |
|